
咨詢熱線0755-26993877
直流電機的工作原理是,當載流導體置于磁場中時,它會受到由弗萊明左手定則給出的力(當您保持食指、中指和拇指相互垂直并且食指代表磁場的方向,中指代表流過電樞的電流然后拇指代表電樞線圈上產生的力的方向。)

傳統的有刷直流電機控制器電路是H橋。這是一個帶有四個開/關開關的電子電路,它們輪流提供正負電壓。通過以對角線模式閉合高側和低側開關,電機沿一個方向旋轉。一旦這些開關打開并且相反的開關閉合,旋轉方向就會...

直流電機控制器的具體細節取決于電機類型(有刷、無刷、步進)和使用該電機的設備的功能。例如,與有刷電機的工業直流電機控制器相比,用于無刷直流(BLDC)電機的電動汽車直流電機控制器具有不同的設計和工作原...

交流電機驅動控制器采用一些常用的方法獲得輸入的交流電機電流,并將其轉換成模擬的、可控的頻率。在每種方法中,目標都是允許操作員向定子RMF輸入頻率命令,從而改變轉子的速度。

交流電機的速度由其交流電源的頻率決定,因為其定子線圈中的交流電將產生旋轉磁場(RMF),該磁場將在轉子中電磁感應出相反的磁場并產生輸出旋轉。還請注意,在異步模型中,存在轉差,即輸入頻率與輸出旋轉頻率之...

伺服電機的工作原理控制通常使用脈寬調制(PWM)技術實現,該技術涉及在固定時間內改變施加到電機的脈沖寬度。

感應電機是通過直接連接到三相電源來啟動的。在這種方法中,電機消耗高啟動電流(約為額定電流的4至7倍)和低功率因數。因此,DOL起動適用于相對較小的電機(最大10 kW)。

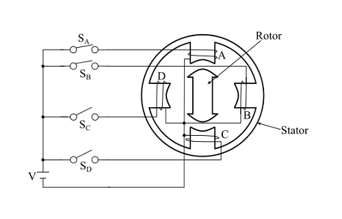
單疊式變磁阻(VR)步進電機的工作原理是基于磁通線占據低磁阻路徑的特性。因此,在可變磁阻步進電機中,定子和轉子對齊以最小化磁阻。

異步交流電機是伺服系統中最常用的電機類型。異步交流電機工作原理的定義:該型利用交流電流動作。定子包括吸收輸入功率的繞組。輸入交流電流經這些繞組,產生一個恒定振幅的旋轉磁場。

無刷直流電機的工作原理類似于有刷直流電機。洛倫茲力定律指出,只要將載流導體置于磁場中,它就會受到力。作為反作用力的結果,磁鐵將受到一個相等且相反的力。在無刷直流電機中,載流導體是靜止的,而永磁體是運動...
