一、鼠籠式異步電機的啟動方法:
1、直接在線(DOL)啟動
顧名思義,感應電機是通過直接連接到三相電源來啟動的。在這種方法中,電機消耗高啟動電流(約為額定電流的4至7倍)和低功率因數。因此,DOL起動適用于相對較小的電機(最大10 kW)。

2、定子電阻啟動
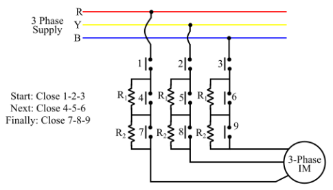
這種方法是在啟動時在定子繞組的各相串接外接電阻。外部電阻會導致其兩端電壓下降,從而降低電機端子上的可用電壓。因此,降低了啟動電流。隨著電機加速,啟動外部電阻逐漸從定子電路中逐步切斷。當電機達到額定速度時,啟動電阻完全切斷,全線電壓施加在電機端子上。這種方法有兩個缺點。首先,啟動期間降低的電壓會降低啟動扭矩,從而增加加速時間。其次,啟動電阻浪費了很多功率。

3、自耦變壓器啟動
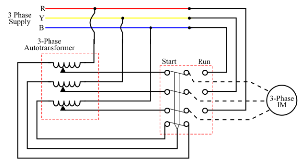
在這種方法中,自耦變壓器用于降低感應電機的啟動電壓。自耦變壓器的分接如此設置,當它在電路中時,60%到80%的線電壓在啟動期間施加到電機,然后當電機達到足夠的速度時將其連接到全線電壓。

在啟動的瞬間,轉換開關連接到啟動。這通過自耦變壓器向電機提供降低的電壓。因此,啟動電流被限制在安全值內。當電機達到額定速度的80%左右時,轉換開關現在被撥到運行位置。這從電路中移除了自耦變壓器,并且全線電壓施加在電機端子上。自耦變壓器啟動具有功率損耗小、啟動電流小等優點,適用于25hp以上的大型電機。
4、星三角啟動
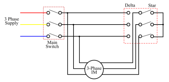
鼠籠式異步電機的星三角啟動方式中,電機以星形啟動,以三角形運行,即電機的定子繞組設計為三角形運行,啟動時接成星形。當電機達到足夠的速度時,連接變為三角形。

電機定子繞組的六根引線接在一個轉換開關上。啟動時,轉換開關切換到星形連接定子繞組的星形。因此,每相獲得V/3伏特,其中V是三相線電壓。這降低了啟動電流。當電機達到額定速度的80%時,轉換開關切換到三角形,以三角形連接定子繞組。現在,每相都獲得全線電壓。這種方法的主要缺點是啟動瞬間由于星形連接中的電壓降低而大大降低了啟動轉矩。星三角啟動用于最大25 hp的中型電機。
二、滑環感應電機的啟動方法:
1.直接在線(DOL)啟動
2.定子電阻啟動
3.自耦變壓器啟動
4.轉子電阻啟動

DOL啟動、定子電阻啟動和自耦變壓器啟動與鼠籠式感應電機相同(如上所述)在工業應用中,滑環感應電機主要采用轉子電阻法啟動。
而轉子電阻啟動在這種方法中,星形連接的可變電阻通過滑環連接在轉子電路中。全電壓施加到定子繞組。在啟動的瞬間,將可變電阻(變阻器)手柄置于OFF位置。這會在轉子電路的每一相串聯插入最大電阻。這減少了啟動電流,同時由于外部轉子電阻增加了啟動轉矩。隨著電機加速,轉子電路中的外部電阻逐漸消失。當電機達到額定速度時,手柄切換到ON位置,這消除了轉子電路的整個外部電阻。

