電感式接近開關是一種位置開關,無需與運動部件直接機械接觸即可操作。它具有動作可靠,性能穩定,頻率響應快,使用壽命長,抗干擾能力強,并且防水,防震,耐腐蝕等特點。也因此在電子元器件上被廣泛使用。
電感式接近開關NBB8-18GM30-E3有2大特點:(1)8 mm,齊平(2)更遠的工作距離
電感式接近開關NBB8-18GM30-E3技術參數:
1、一般說明
開關點功能:PNP常閉
額定動作距離sn:8 mm
安裝:齊平安裝
輸出極性:DC
可靠動作范圍:sa 0...6.48 mm
衰減系數rAI:0.45
衰減系數rCu:0.4
衰減系數rV2A:0.7
2、額定等級
工作電壓UB:10...30 V
開關頻率f:0...500 Hz
遲滯H:典型值5%
反極性保護:是
短路保護:脈沖
電壓降Ud:≤3 V
工作電流IL:0...100 mA
漏電流Ir:0...0.5 mA典型值0.1μA在25oC時
空載電流Io:≤15 mA
開關狀態指示:黃色LED指示燈
3、符合標準
標準:IEC/EN 60947-5-2:2004
4、周圍環境
環境溫度:-25...70oC(248...343 K)
5、機械特性
接線形式:2 m,PVC電纜
導線截面積:0.34 mm2
外殼材料:黃銅,鍍鎳
感應面:PBT
防護等級:IP67
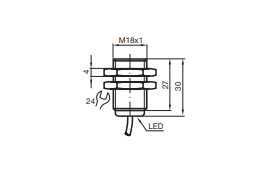
電感式接近開關NBB8-18GM30-E3外形尺寸

電感式接近開關工作原理
電感式接近開關三大組成部分之一的振蕩器,會產生一個交變磁場。當金屬物接近這一磁場,并達到了感應距離的時候,并會在金屬目標內產生渦流,進而導致振蕩衰減,以至停振。振蕩器振蕩及停振的變化被后級放大電路處理并轉換成開關信號,觸發驅動控制器件,從而達到非接觸式之檢測目的。
電感式接近開關的應用
電感式接近開關能很好的使用于一般的行程控制,其使用壽命、定位精度、操作頻率、安裝調整的方便性,以及對惡劣環境的適用能力,是一般機械開關所不能比的。因此它能夠被廣泛地應用于輕紡、機床、印刷、冶金、化工等行業。
NBB8-18GM30-E3配套產品
(1)安裝法蘭 BF 18
1、所有帶 M18 螺紋的圓柱形傳感器適用的固定器 2、安裝簡單且設置精確 3、感應范圍大(最大 20 mm)
?。?)輔助安裝件 EXG-18
1、螺紋管適用的夾子 2、適用于 M18 傳感器 3、更換簡單而快速且無需重新調整 4、隨附 2 個開槽螺母

