超聲波傳感器UB1000-18GM75-I-V15(漫反射型和反射板型超聲波傳感器)
| 【產品功能描述】 | |
超聲波傳感器UB1000-18GM75-I-V15接近開關有一個同步輸入端可以抑制接近開關之間的相互影響。如果同步輸入端不接,接近開關則根據內部產生的時鐘頻率工作。 | |
| 【附件產品】 | |
| ·UB-PROG2編程附件 ·OMH-04安裝附件 ·BF 5-30安裝附件 ·BF 18安裝附件 | ·BF 18-F安裝附件 ·V15-G-2M-PVC電纜連接器 ·V15-W-2M-PVC電纜連接器 ·UVW90-K18導向板 |
產品·特點
——超聲波傳感器UB1000-18GM75-I-V15產品特性——
●模擬量4mA...20mA輸出 ●測量窗口可調 ●聲錐寬度可調 ●TEACH-IN輸入 ●同步選項功能 ●接近開關關閉功能 ●溫度補償 ●非常小的盲區 |
|
產品·規格參數
——超聲波傳感器UB1000-18GM75-I-V15產品規格——
通用規格——
感應范圍:70...1000mm
調整范圍:90...1000mm
死區:0...70mm
標準目標板:100mmx100mm
換能器頻率:大約255kHz
響應延遲:大約125ms
輸入/輸出——
(1)同步:
1個同步連接,雙向
0電平:-UB...+1V
1電平:+4V...+UB
輸入阻抗:>12kΩ
同步脈沖:≥100μs,同步脈沖間歇時間:≥2ms
(2)同步頻率
共模操作:max.40Hz
多路轉換操作:≤40Hz/n,n=傳感器的數量,n≤5
輸入——
輸入類型:1路程序輸入
評估下限A1:-UB...+1V,評估上限A2:+4V...+UB
輸入阻抗:>4.7kΩ,脈沖持續時間:≥1s
輸出——
輸出類型:1路模擬量輸出4...20mA
分辨率:0,35mm
特性曲線的偏差:±1%滿量程值
重復精度:±0,1%滿量程值
負載阻抗:0...300Ohm
溫度影響:±1,5%滿量程值
指示燈/操作方法——
黃色LED:黃色常亮:物體在評估范圍內
黃色閃爍:程序功能,檢測到物體
紅色LED:紅色常亮:錯誤
紅色閃爍:程序功能,未檢測到物體
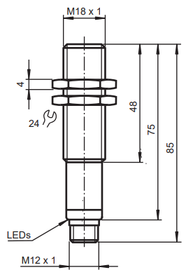
安裝條件——
PS:如果接近開關安裝于環境溫度可能低于0°C的現場時,就必須使用安裝附件BF18,BF18-F或BF5-30中的一種來固定。在使用鋼螺母將接近開關直接安裝在一個通孔的情況下,接近開關必須被固定在安裝螺紋的中央。如果一定要固定在安裝螺紋的前端,就必須使用帶定位環的塑料螺母(附件)。


