倍加福超聲波傳感器產品特性:
- 模擬量輸出4~20MA
- 極小的盲區
- TEACH-IN
- 抑制干擾(在一個閉區間內可調節聲錐寬度)
- 溫度補償
- 同步功能
- 工作模式可調
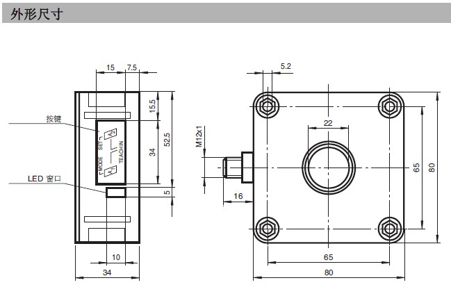
倍加福超聲波傳感器外觀尺寸:

倍加福超聲波傳感器技術參數:

我司主要銷售倍加福超聲波傳感器型號如下:作為倍加福代理商,價格優勢明顯,歡迎咨詢購買
UB2000-F42-I-V15
UB2000-F42-U-V15
UC2000-30GM-IUR2-V15
UB2000-30GM-E5-V15
UDC-18GM-400-3E1
UDBK-18GM35-3E2
UDC-18GM50-255-3E1
UDC-18GM50-255-3E0

