把交流電轉換成直流電的任務叫整流,完成這個任務的電子電路叫整流器。將交流電轉換成直流電最常見的方法是使用一個或多個二極管。這些方便的電子元件允許電流向一個方向流動,但不能向另一個方向流動。
雖然整流器將交流電轉換成直流電,但產生的直流電不是穩定的電壓。稱之為脈動DC更為準確。雖然脈動DC電流總是同向運動,但電壓電平有明顯的紋波,其上升和下降與饋入整流器的交流電壓波形同步。
對于許多DC電路,電源中的大量紋波將導致電路故障。因此,需要額外的濾波來壓平來自整流器的脈動DC,以消除紋波。你可以構建三種不同類型的整流電路:半波、全波和橋式。下面分別介紹三種整流器。
一、半波整流器
最簡單的整流器由一個二極管組成。這種整流器被稱為半波整流器,因為它只將交流輸入電壓的一半傳輸到輸出端。
當二極管陰極側的交流電壓為正時,二極管允許電流流向輸出端。然而,當交流電反向并在二極管的陰極側變為負時,二極管將停止電流,因此輸出端將沒有電壓。

半波整流器容易制造,但效率不高。那是因為交流輸入的整個負周期都被半波整流器阻斷了。因此,輸出電壓一半時間為零。這導致輸出端的平均電壓為輸入電壓的一半。
請注意標有電阻的電阻器。該電阻器實際上不是整流電路的一部分。相反,它表示當電源投入使用時,負載最終施加在電路上的電阻。
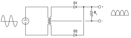
二、全波整流器
全波整流器使用兩個二極管,使其能夠通過正和交流電流輸入的負端。二極管連接到變壓器。
請注意,全波整流器要求您使用中心抽頭變壓器。二極管連接到兩個外部抽頭,中心抽頭用作整流DC電壓的公共地。全波整流器將交流正弦波的一半轉換成正電壓DC。

結果,DC電壓的脈沖頻率是輸入交流電壓的兩倍。換句話說,假設輸入是60 Hz家用電流,輸出將是120 Hz DC脈沖。
三、橋式整流器
全波整流器的問題是它需要一個中心抽頭的變壓器,所以它只產生變壓器總輸出電壓的一半。
橋式整流器通過使用四個二極管而不是兩個來克服這個限制。二極管排列成菱形圖案,因此在交流正弦波的每半個相位,兩個二極管將電流傳輸到輸出的正側和負側,另外兩個二極管阻擋電流。橋式整流器不需要中心抽頭變壓器。

橋式整流器的輸出是脈沖DC,就像全波整流器的輸出一樣。然而,使用變壓器次級線圈的全電壓。
可以用四個二極管搭建一個橋式整流器,也可以用四個二極管排列正確的橋式整流器IC。橋式整流集成電路有四個引腳:兩個用于交流輸入,兩個用于DC輸出。

