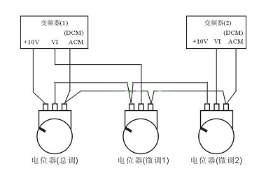
電位器(或微調電阻等等)常規引腳(僅舉例說有3個引腳的電位器),兩頭的電阻值版是固定的,中間引腳對權任何一端引腳的電阻值是可變的;他等效于從中間引腳起把電位器分成兩個串聯的電阻,串聯總阻值是固定的;因此,如果作為可變分壓電阻用,則一端接輸入電壓,中間端接輸出,余下端接地;如果作為可變電阻用,一端接輸入電壓,中間端接輸出,余下端可懸空,或與中間端連接;

1、帶有傳統引腳(例如帶有三引腳的電位器)的電位器(或微調電阻器等),兩端的電阻是版固定的,中間引權腳的電阻是可變的;
2、相當于將電位器從中間引腳分成兩個串聯的電阻,串聯的總電阻值是固定的;
3、因此,如果用作可變分壓器,則一端接輸入電壓,中間端接輸出電壓,其余端接地;
4、如果作為可變電阻使用,一端連接輸入電壓,中間一端連接輸出,其余一端可以掛起或連接中間端。電位器的電阻體有兩個固定端,通過手動調節轉軸或滑柄,改變動觸點在電阻體上的位置,則改變了動觸點與任一個固定端之間的電阻值,從而改變了電壓與電流的大小。當電阻體的兩個固定觸點之間外加一個電壓時,通過轉動或滑動系統改變觸點在電阻體上的位置,在動觸點與固定觸點之間便可得到一個與動觸點位置成一定關系的電壓。
擴展資料電位器是具有三個引出端、阻值可按某種變化規律調節的電阻元件。電位器通常由電阻體和可移動的電刷組成。當電刷沿電阻體移動時,在輸出端即獲得與位移量成一定關系的電阻值或電壓。電位器既可作三端元件使用也可作二端元件使用。后者可視作一可變電阻器,由于它在電路中的作用是獲得與輸入電壓(外加電壓)成一定關系得輸出電壓,因此稱之為電位器。

